Оптимизация расхода материала при изготовлении жестяных банок
Глобальные тенденции диктуют новые условия для всех производителей металлической упаковки. Поставщики оборудования десятилетиями разрабатывают новые и новые системы для экономии материала и минимизации издержек.
Компания «Эстес Инжиниринг Рус» занимается поставкой современных комплексов оборудования и проводит расчеты карт раскроя материалов, их оптимизацию.
Для примера сравним расход материала на базе старых линий штамповки консервной крышки произведенных в прошлом веке, на которых продолжают работать многие предприятия.
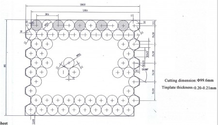
Раскройная карта на крышку 83.4 мм для банки под овощные консервы

Общая площадь листа = 738 820 мм2
Площадь 1 изделия = 7791.2754 мм2
Площадь 70 изделий = 545 389 мм2
% использования листа = 73.81%
В отход уходит 26% материала
«Эстес Инжиниринг Рус» представляет высокоскоростные линии штамповки крышек на базе систем ЧПУ подачи листа, с величиной перемычек 0,9 – 1,2 мм.

Раскрой листа для линии штамповки крышек на портальном прессе с CNC подачей листа Golden Eagle – на рулон производства ММК,
ширина рулона = 892 мм
5 изделий за удар
Общая площадь СКРОЛЛ листа = 901 812 мм2
Общая площадь листа без скролла = 946 412 мм2
Площадь 1 изделия = 7791.2754 мм2
Площадь 100 изделий = 779 127 мм2
% использования СКРОЛЛ листа = 86.4%
% использования прямого листа = 82.3%
При работе со скролл листом в отход уходит 13.6 % материала
При работе с прямым листом в отход уходит 17.7 % материала
«Эстес Инжиниринг Рус» также поставляет линии резки жести: от минимальных – эконом решений, до высокоскоростных линий. Производитель: Hengli CNC Technology Co Ltd.

Кроме стандартных моделей, которые уже зарекомендовали себя на рынке РФ и других стран, компания предлагает – эконом серию линий резки рулона, которые позволят минимизировать инвестиции и получить экономию сырья.
Производительность от 40 листов в минуту.
Таким образом разница в экономии материала составит:
Скролл лист = 12,4%
Прямой лист = 8,3%
При переработке 3 000 тонн металла в сезон, минимальная экономия составит 249 тонн металла.
Максимальная (при работе на скролл листе) – 372 тонны металла.
Подписывайтесь на наши новости в соцсетях и рассылке Unipack.Ru:
Делитесь нашими публикациями в ваших соцсетях:
Источник: Unipack.Ru
Версия для печатиВсе пресс-релизыДобавить пресс-релизПодписка на рассылку



12:03vlulyanov
Вот и задумаешься: что потеряла и что выиграла компания "Тетра Пак", приняв ...
10:57vlulyanov
Опять оголтелая борьба не с тем.
13:23vlulyanov
А есть ли регион, где спрос на упаковку низкий? Пока существуют магазины сам...
17:47vlulyanov
Как-то так сложилось, что не сразу прочитал эту статью. А когда сейчас прочи...
10:39vlulyanov
На мой взгляд, лучше бы снимки изделий-победителей здесь дали.