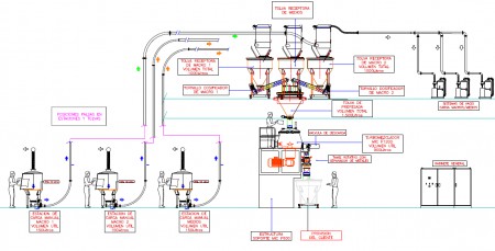
Автоматизированное решение от европейского производителя Comasa для бестарного хранения, транспортирования, дозирования и смешивания ингредиентов в пищевой промышленности
Испанская компания Comasa в партнерстве с InterPharmTechnology Group® представляет автоматизированное решение для бестарного хранения, транспортирования, дозирования и смешивания ингредиентов в пищевой промышленности.
	
Подробная информация о решениях Comasa https://comasa-food.ift.ru/
	
Наши преимущества:
- Проектируем и изготавливаем производственные технологические комплексы для производства твердых, жидких и полутвердых материалов, а также оборудование для исследований и разработок.
- Предоставляем услуги и интегрируем машины и процессы в соответствии с потребностями клиентов. Мы замыкаем круг между ПРОЕКТИРОВАНИЕМ ОБОРУДОВАНИЯ, ПРОЦЕССОМ ПРОИЗВОДСТВА и ЭФФЕКТИВНОСТЬЮ ПРОИЗВОДСТВА.
	
В комплекс может быть включено следующее оборудование:
- Станция растарки мешков и Биг-Бегов
- Бестарное хранение материалов, бункеры накопительные, силосы
- Реакторы и эмульсификаторы,
- Вакуумный транспорт, пневмотранспорт
- Бункер предварительного взвешивания ингредиентов
- Дозирующая система, дозирующий шнек, транспортирующий шнек
- Сито центробежное (центробежный просеиватель), вибросито
- Клапана, соединительные трубы
- Металлосепаратор, металлодетектор
- Миксер с высоким усилием сдвига, смеситель
- Станция фасовки в мешки, станция фасовки в Биг-Бег
- Система «мойки на месте» Clean-in-place (CIP), Wash-in-Place (WIP)
Станция разгрузки биг-бег
- Автоматизированная система выгрузки продукта
- Интеграция с весовым накопительным бункером на тензодатчиках
	 
 
Кабина растаривания мешков (система беспылевого растаривания мешков)
- Производительность до 2000 кг
- Защитная сетка
- Легкий доступ к очистке
- Нержавеющая сталь с полировкой поверхности < 0,4 micron
- Возможна интеграция с системой взвешивания, вибродном, виброситом
- Интеграция с системой аспирации
	 
  
 
Система аспирации
- Удаление пыли, образующейся при растарке мешков
- Вентилятор 1.800 м3/час. с 100% герметичным мотором.
- Корпус первичного фильтра из нержавеющей стали AISI 304.
- Первичный фильтр, состоящий из 12 (двенадцати) фильтрующих рукавов с системой воздушной очистки, основанной на обратном потоке воздуха.
- Бак для сбора пыли, изготовленный из нержавеющей стали AISI 304, оснащенный быстроразъемными соединениями.
	 
  
 
Вакуумный транспорт
- Высота подъема 15 м, длина трассы до 45 м (в зависимости от продукта)
- Монтаж и демонтаж частей не требующий инструмента
- Система сменных фильтров
- Автоматическая система очистки фильтров
- Производительность до 150 кг в минуту (в зависимости от продукта)
- Различная вариабельность диаметра трубопровода в зависимости от продукта
- Закрытая система транспортирования, отсутствие пыли в помещениях и окружающей среде
	 
  
 
Бункер хранения, силосы
- Объем от 500 до 5000 литров
- Изготовлен из нержавеющей стали AISI 316 в частях, контактирующих с продуктом, и AISI 304 в конструктивной части
- Спроектировано и изготовлено в соответствии с критериями и рекомендациями GMP
- Ассиметричное исполнение для предотвращения зависания продукта
- Позволяет избежать промежуточного хранениях в контейнерах, мешках
- Сокращает потери при перегрузке (при условии тарного хранения)
- Интеграция с нижней заслонкой выгрузки продукта
- Интегрированная система фильтрации пылящих продуктов
- Интеграция с вакуумной загрузкой
	 
 
Бункер взвешивания
- Детали, контактирующие с продуктом, изготовлены из нержавеющей стали AISI 316
- Структурные части изготовлены из нержавеющей стали AISI 304
- Весовой бункер предназначен для дозирования по весу, предварительно смешивая различные сырьевые материалы
- Установлен на тензодатчиках, готов к приему сырья из различных дозирующих силосов
- Контроль и точное взвешивание каждого продукта в соответствии с рецептурой за счет автоматизации
- Оснащается клапаном выгрузки
- Оснащен датчиками уровня
	 
  
 
Шнековый транспорт, дозирующий шнек
- Скорость дозирования до 300 кг в минуту (в зависимости от продукта)
- Вариабельность диаметра шнека в зависимости от заказа и продукта
- Простое обслуживание и очистка, съемная верхняя крышка
- Интеграция в систему фасовки/ силосные бункеры / систему дозирования
	 
  
 
Сито центробежное (центробежный просеиватель)
- Высокая производительность за счет центробежного эффекта
- Быстросъемное соединение для быстрой замены и очистки сита без инструментов
- Съемный экран сита с различным типом размеров ячейки сита
- Полированные внутренние части
- Интеграция с магнитным металлосепаратором
	 
  
 
Вибросито
- Высокая производительность и эффективность просеивания
- Точность разделения до 99%
- Быстросъемные зажимы для замены экрана сетки и обслуживания
- Взаимозаменямый экран сетки с различным размером ячейки сетки
- Система самоочистки поверхности сетки
- Центральный патрубок выхода продукта
- Возможность интеграции над или под бункером
- Гибкие антивибрационные соединения
	 
  
 
Металлосепаратор
- Интеграция металлосепаратора перед приемными бункерами
- Интеграция в транспортную систему
- Быстрый и легкий доступ для обслуживания и очистки
	
Металлодетектор
- Сепаратор V-образного типа с пневматическим приводом
- Изготовлен по стандартам HACCP
- Визуальное и звуковое оповещение
	
Смеситель с высоким усилием сдвига
- Смешивание порошков, гранул в том числе с добавлением жира, масла, жидких ингредиентов
- Контроль смешивания по измерению крутящего момента
- Объем смесителя от 7 до 900 литров
- Повторяемость процесса от партии к партии за счет автоматизации
- Персонализированный доступ к рецептурам
- Гибкость и быстрый переход на другой продукт, рецептуру
- Запись каждой произведенной партии, согласно FDA (21 CFR part 11)
- Легкий и быстрый доступ для обслуживания и очистки
- Быстрая и эффективная выгрузка продукта без «мертвых зон»
- Интеграция вакуумной загрузкой
- Боковой измельчитель продукта с регулируемой скоростью для лучшего смешивания
- Форсунка распыления жира, жидких ингредиентов
- Пневматическое уплотнение
- Интеграция с системой мойки на месте (CIP)
	
	 
 
Миксер жидкостей
- Реактор для приготовления связующих с пропеллерной мешалкой для включения твердых частиц в раствор.
- Устанавливается на тензодатчики (дозировка от веса)
- Тип клапана - на дне резервуара
- Регулируемая высота мешалки турбинного типа
- Контроль скорости
	
Реактор плавления жира
- Полезный объем от 30 до 1500 литров полезной
- Контроль температуры продукта
- Подготовлен для будущей установки тензодатчиков
- Перемешивание пильным диском для ускорения плавления под углом 45 градусов
- Оборудование, изготовленное из нержавеющей стали AISI 316 в частях, контактирующих с продуктом, и AISI 304 в конструктивной части
- Оснащен рубашкой обогрева
	
Эмульсификатор Versato
Versato - это турбомиксер с противовращением, предназначенный для производства кремов и гелей с очень коротким временем смешивания и эмульсии.
- Пневматическая выгрузка
- Двойная рубашка (нагрев - охлаждение)
- Независимый электронный регулятор скорости
- Автоматический контроль температуры, программируемая система вакуума и показателя pH, с графическим отображением
- Гидравлическая система позиционирования для подъема миксеров и переворачивания контейнеров
- Удаленное управление через Ethernet
	 
 
	 
 
Станция фасовки в мешки
- Фасовка в мешки от 10 до 50 кг
- Исполнение контактирующих частей из стали AISI 316
- Пневматический захват мешка обеспечивающий 100% пылезащиту
- Высокоточный весовой дозатор
- Накопительный бункер с интегрированным ворошителем
	
Система «мойки на месте» Clean-in-place (CIP), Wash-in-Place (WIP)
- Быстрый запуск очистки
- Автоматическая дозация моющего средства
- Интеграция с централизованными системами сбора данных о процессе
- Сокращение времени простоя производства
- Экономия воды и химических средств, используемых для очистки
- Возможна интеграция с системой воздушного осушения после мойки
	 
 
	 
 
Безопасность применения в пищевой промышленности достигается за счет:
- Сертифицированная сталь AISI 316 частей, контактирующих с продуктом
- Полировка внутренних поверхностей (менее 0.4 микрон)
- Основные узлы комплекса из сертифицированной стали AISI 304
- Дизайн в соответствии с рекомендациями GMP
- Соединительные трубы из сертифицированной стали AISI 316
- Гибкие трубы, изготовленные из санитарно-гигиенического материала, одобренного FDA (Food and Drug Administration)
	
	
Силиконовые прокладки соединительных элементов
- Герметичная транспортная система позволяет избежать загрязнения рабочих помещений, а также избежать риска контаминации продуктов
- Применение рукавных фильтрующих элементов облегчает техническое обслуживание и очистку системы
- Автоматизация по FDA (21 CFR part 11)
- Прослеживаемость и повторяемость процессов
- Запись и контроль каждой произведенной партии
- Исполнение IP 54/65/67 в зависимости от условий производства
- Взрывозащищенное исполнение (EX PROOF), согласно ATEX
Реализованные проекты:
Производство кондитерских смесей
Производство витаминизированных премиксов
Производство смесей для выпечки
Подписывайтесь на наши новости в соцсетях и рассылке Unipack.Ru:
Делитесь нашими публикациями в ваших соцсетях:
Источник: Unipack.Ru
Версия для печатиВсе пресс-релизыДобавить пресс-релизПодписка на рассылку






21:24 Ivan
Вы действительно думаете, что у них был выбор?
10:57 vlulyanov
Опять оголтелая борьба не с тем.
13:23 vlulyanov
А есть ли регион, где спрос на упаковку низкий? Пока существуют магазины сам...
17:47 vlulyanov
Как-то так сложилось, что не сразу прочитал эту статью. А когда сейчас прочи...
10:39 vlulyanov
На мой взгляд, лучше бы снимки изделий-победителей здесь дали.